|
|
Задача
Защита каналов 10GE или 8GFC без применения WDM без резервирования
|
- Защита канала 10GE или 8GFC без WDM.
- Расстояние между узлами сети: до 60 км.
- Без резервирования.
Описание технического решения:
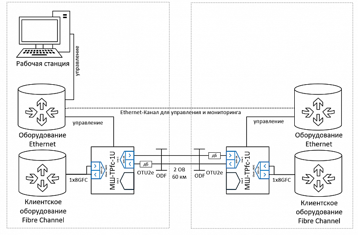
Данное решение позволяет защитить один оптический канал со скоростью до 10 Гбит/с с типом сервиса 10GE или 8GFC по одной паре волокон (см. Рисунок 1, Рисунок 2). Таблица 1 содержит спецификацию оборудования.
Рисунок 1 - Принципиальная схема организации канала 10GE без применения WDM без резервирования
Рисунок 2 - Принципиальная схема организации канала 8GFC без применения WDM без резервирования
Таблица 1 - спецификация оборудования
|
№ |
Наименование оборудования |
Кол-во, |
|
Каналообразующее оборудование – транспондеры и агрегирующие транспондеры |
||
|
1 |
«Квазар» МШ-ТРfc-1U
Модуль шифрования – транспондер; |
2 |
|
Приемо-передающие модули и аттенюаторы |
||
|
2 |
Оптический приемо-передающий модуль SFP+10G-SR Двухволоконный оптический приемо-передающий модуль SFP+, MM, 850 нм, протоколы передачи 10GbE, 8GFC; дальность передачи до 300 м, разъем LC |
2 |
|
3 |
Оптический приемо-передающий модуль SFP+MR-80 Двухволоконный оптический приемо-передающий модуль SFP+, SM, 1550 нм, протоколы передачи 10GbE, OTU2; дальность передачи до 80 км, разъем LC |
2 |
|
4 |
Фиксированный аттенюатор |
2
|
|
Шкафы, оптические шнуры и дополнительное оборудование |
||
|
5 |
Шнур оптический Duplex |
4 |
|
6 |
Соединительный шнур RJ45 |
2 |
|
7* |
Выпрямитель Блок преобразования: входное 220В (AC) в выходное 48В (DC) |
2 |
Каждый функциональный блок может быть выполнен как в форм-факторе 1U, так и в форм-факторе платы для установки в специализированное шасси.
![]() |
НПО «Восток»
Республика Казахстан, 050057 Алматы
ул. Сатпаева 36, кв. 4 (уг.ул. Ауэзова)
Тел./факс:+7 (727) 274-2190
+7 (727) 328-6332
Моб.тел.:+7 (701) 1111-682
|



